మాకు ఇమెయిల్ చేయండి
వార్తలు

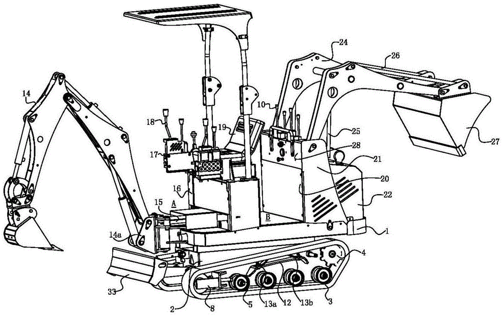
మినీ ఎక్స్‌కవేటర్ల నిర్మాణం మరియు నిర్వహణ

మినీ ఎక్స్‌కవేటర్ల నిర్మాణం మరియు నిర్వహణ


మినీ ఎక్స్కవేటర్ కన్స్ట్రక్షన్ ఇన్నోవేషన్ మరియు ఇంటెలిజెంట్ మెయింటెనెన్స్: పెద్ద ప్రాజెక్టులను మోస్తున్న చిన్న శరీరం


1 、 మినీ ఎక్స్కవేటర్స్ నిర్మాణం యొక్క విశ్లేషణ: నాలుగు డైమెన్షనల్ టెక్నాలజీని 'స్పేస్ ఇంద్రజాలికుడు' పున hap రూపకల్పన చేయడం

చట్రం మరియు నడక వ్యవస్థ:


టైలెస్ టర్నింగ్ డిజైన్: సానీ SY18U వంటి నమూనాలు "జీరో టెయిల్ ప్రోట్రూషన్" నిర్మాణాన్ని అవలంబిస్తాయి, తోక టర్నింగ్ వ్యాసార్థం 0.86 మీటర్లు మాత్రమే, గోడలతో ick ఖించకుండా ఇరుకైన సొరంగాల్లో 360 ° ఉచిత భ్రమణాన్ని అనుమతిస్తుంది. అదే సమయంలో, మా 0.8TON మినీ ఎక్స్కవేటర్ 1.1 మీటర్ల మలుపు వ్యాసార్థాన్ని కూడా సాధించగలదు, ఇరుకైన ప్రదేశాలలో ఉచిత మరియు సౌకర్యవంతమైన ఆపరేషన్ను అనుమతిస్తుంది.


సర్దుబాటు చేయగల ట్రాక్ ఫ్రేమ్: ట్రాక్ గేజ్‌ను స్వేచ్ఛగా సర్దుబాటు చేయవచ్చు (980-1350 మిమీ విస్తరణ మరియు సంకోచానికి SY16C వంటివి), 1 మీటర్ ఇరుకైన ప్రాంతాలను దాటడం సులభం చేస్తుంది. రబ్బరు ట్రాక్ గ్రౌండింగ్ పీడనం 25KPA కంటే తక్కువగా ఉంటుంది, ఇది సుగమం చేసిన భూమిని రక్షిస్తుంది.


స్వీయ కందెన బేరింగ్లు: యన్మార్ చట్రం సాంప్రదాయ బంతి బేరింగ్‌లకు బదులుగా ఇగ్లిడూర్ జి సిరీస్ ప్లాస్టిక్ బేరింగ్‌లను ఉపయోగిస్తుంది, ఇవి యాంటీ ఫౌలింగ్, యాంటీ రస్ట్ మరియు మెయింటెనెన్స్ ఫ్రీ, సేవా జీవితాన్ని మూడుసార్లు పెంచుతాయి.




శక్తి మరియు హైడ్రాలిక్ వ్యవస్థ:


డ్యూయల్ మోడ్ పవర్ రివల్యూషన్: చిన్న ఎక్స్కవేటర్ కుబోటా KX019 ను అవలంబిస్తుంది, ఇది డీజిల్/ఎలక్ట్రిక్ వన్ క్లిక్ స్విచింగ్‌కు మద్దతు ఇస్తుంది, 20kWh బ్యాటరీ ప్యాక్ 8-గంటల పరిధిని అందిస్తుంది, మరియు ఇండోర్ ఆపరేషన్ శబ్దం 66 డెసిబెల్స్ కంటే తక్కువగా ఉంటుంది.


ఇంటెలిజెంట్ హైడ్రాలిక్ కంట్రోల్: లోడ్ సెన్సిటివ్ టెక్నాలజీ (షెంగాంగ్ SK35SR-6 వంటివి) ప్రవాహ పంపిణీ ఖచ్చితత్వం ± 1.8%, మిశ్రమ చర్య ప్రతిస్పందన వేగం 0.7 సెకన్ల మిశ్రమ చర్య మరియు 22%శక్తి వినియోగం తగ్గింపు.




పని పరికరాల మెరుగుదల:


దుస్తులు నిరోధక నిర్మాణం: కాంపాక్ట్ ఎక్స్కవేటర్ యొక్క బూమ్ యొక్క ఉచ్చారణ ఉమ్మడి కార్బరైజింగ్ హీట్ ట్రీట్మెంట్ (కాఠిన్యం HRC55+) కు గురైంది, మరియు బకెట్ హార్డక్స్ 500 వేర్-రెసిస్టెంట్ ప్లేట్ (కాఠిన్యం HB500) తో వెల్డింగ్ చేయబడింది, దాని సేవా జీవితాన్ని 30%విస్తరించింది.


సైడ్ కదిలే ఆర్మ్ పేటెంట్: కుబోటా U-15-3S 350 మిమీ యొక్క 595 మిమీ/కుడి విచలనం యొక్క ఎడమ విచలనాన్ని సాధిస్తుంది, మరియు వాల్ మౌంటెడ్ తవ్వకం శరీరాన్ని కదిలించడం అవసరం లేదు.


రోటరీ పరికరం, 360 ° ఆల్ రౌండ్ ఆపరేషన్, వివిధ పని వాతావరణాలకు అనుగుణంగా అనువైనది.


మానవ కంప్యూటర్ ఇంటరాక్షన్ అప్‌గ్రేడ్


రోల్ ఓవర్ రెసిస్టెంట్ క్యాబ్: ROPS/FOPS చేత ధృవీకరించబడింది (16 టన్నుల స్టాటిక్ పీడనానికి నిరోధకత), ఫ్లోటింగ్ సీట్లు, LCD టచ్ స్క్రీన్ మరియు AI సరౌండ్ వ్యూ పర్యవేక్షణ, గుడ్డి మచ్చలను 40%తగ్గిస్తుంది.


2 、 నిర్వహణ మరియు రోజువారీ నిర్వహణ:

రోజువారీ నిర్వహణ యొక్క బంగారు నియమం


హైడ్రాలిక్ ఆయిల్ మేనేజ్‌మెంట్: వేసవిలో యాంటీ-వేర్ హైడ్రాలిక్ ఆయిల్ నం 68 మరియు శీతాకాలంలో తక్కువ స్నిగ్ధత ఆయిల్ నంబర్ 32 వాడండి. పంప్ మరియు వాల్వ్ దుస్తులను నివారించడానికి NAS (≤ స్థాయి 8) యొక్క శుభ్రతను క్రమం తప్పకుండా తనిఖీ చేయండి.


వెన్న నింపే చక్రం: రోటరీ బేరింగ్ కోసం ప్రతి 10 రోజులకు గ్రీజును ఇంజెక్ట్ చేయండి మరియు పిన్ షాఫ్ట్ ఇరుక్కుపోకుండా ఉండటానికి పని చేసే పరికరం యొక్క కీలు పాయింట్ కోసం ప్రతి 4-8 గంటలకు అధిక-పీడన గ్రీజును ఇంజెక్ట్ చేయండి.




కీ కాంపోనెంట్ లైఫ్ ఎక్స్‌టెన్షన్ టెక్నిక్:


ట్రాక్ సిస్టమ్: చాలా వదులుగా ఉండటానికి (జంపింగ్ పళ్ళు) లేదా చాలా గట్టిగా ఉండటానికి ఉద్రిక్తతను సర్దుబాటు చేయండి (దుస్తులు వేగవంతం); సహాయక చక్రం యొక్క సీలింగ్ వైఫల్యాన్ని నివారించడానికి కంకరను క్రమం తప్పకుండా శుభ్రం చేయండి.


"వేర్ ఐరన్ ట్రయాంగిల్" నిర్వహణ:

పగుళ్లు/500 హెచ్ కోసం ట్రాక్ షూ తనిఖీ

డ్రైవ్ స్ప్రాకెట్ పళ్ళు గ్రౌండ్ ఫ్లాట్ మరియు వెంటనే భర్తీ చేయబడతాయి

జడ చక్రం సీల్ ఆయిల్ లీకేజీని మరమ్మతులు చేయాలి

స్టోవర్స్ పిల్లి గణాంకాల ప్రకారం, ఈ మూడు రకాల భాగాల వల్ల 80% చట్రం వైఫల్యాలు సంభవిస్తాయి.


తీవ్రమైన పని పరిస్థితులను నిర్వహించడానికి మార్గదర్శకాలు:


అధిక ఎత్తులో ఉన్న ఆపరేషన్: మినీ ఎక్స్కవేటర్ యొక్క టర్బోచార్జ్డ్ ఇంజిన్ 15%విద్యుత్ పరిహారాన్ని కలిగి ఉంది మరియు ప్రవాహ నష్టాన్ని నివారించడానికి హైడ్రాలిక్ వ్యవస్థలో పీడన పరిహార వాల్వ్ ఉంటుంది.

వాటర్ వాడింగ్ ఆపరేషన్: ఇటాలియన్ వరద రెస్క్యూలో, ఆధునిక HX35AZ మూసివున్న సర్క్యూట్ మాడ్యూల్ ద్వారా 0.8 మీటర్ల లోతును సాధించింది.


దీర్ఘకాలిక నిల్వ ప్రమాణాలు:


పొడి గదిలో పార్క్ చేయండి, గ్రౌండింగ్ ఒత్తిడిని తగ్గించడానికి ట్రాక్‌లకు మద్దతు ఇవ్వండి;

సంగ్రహణను నివారించడానికి ఇంధన ట్యాంక్ నింపండి, ముద్ర వృద్ధాప్యాన్ని నివారించడానికి అన్ని హైడ్రాలిక్ సిలిండర్లను ఉపసంహరించుకోండి;

సర్క్యూట్ బోర్డు తడిగా ఉండకుండా నిరోధించడానికి ప్రతి 3 నెలలకు ఒకసారి ప్రారంభించండి.


3 、 సాంకేతిక సరిహద్దు: పారిశ్రామిక జీవావరణ శాస్త్రం యొక్క విద్యుదీకరణ మరియు తెలివైన పునర్నిర్మాణం

విద్యుత్ విప్లవం:


మాడ్యులర్ బ్యాటరీ: హిటాచీ ZX55U-6EB వాణిజ్య శక్తి మరియు బ్యాటరీ యొక్క డ్యూయల్ డ్రైవ్‌కు మద్దతు ఇస్తుంది, 2 గంటల ఫాస్ట్ ఛార్జింగ్ 6 గంటల్లో 10 గంటల ఆపరేషన్‌ను కలుస్తుంది.


హైడ్రోజన్ ఎనర్జీ టెస్ట్: సున్నా కార్బన్ నిర్మాణాన్ని సాధించడానికి హెచ్‌డి హ్యుందాయ్ హైడ్రోజన్ ఇంధన ఇంజిన్ (హెచ్‌ఎక్స్ 12) ను అభివృద్ధి చేసింది.


ప్రిడిక్టివ్ మెయింటెనెన్స్:


IoT రిమోట్ డయాగ్నోసిస్: SANY SY35U HI మేట్ సిస్టమ్‌తో అమర్చబడి ఉంటుంది, ఇది చమురు ఉష్ణోగ్రత మరియు వైబ్రేషన్ డేటాను నిజ సమయంలో విశ్లేషిస్తుంది, లోపం హెచ్చరిక ఖచ్చితత్వ రేటు 92%.


AR నిర్వహణ సహాయం: కైస్ మైక్రో ఎక్స్కవేటర్ చిన్న ఎక్స్కవేటర్లకు VR ఆపరేషన్ శిక్షణను అందిస్తుంది, 30 తప్పు దృశ్యాలను అనుకరిస్తుంది మరియు నిర్వహణ సామర్థ్యాన్ని 40%మెరుగుపరుస్తుంది.


4 、 ప్రాక్టికల్ సాక్షి: పురాతన ఇంటి పునరుద్ధరణ నుండి మైనింగ్ టాకిల్ వరకు

తైజౌలో మింగ్ మరియు క్వింగ్ రాజవంశం పండితుడి నివాసం యొక్క పునరుద్ధరణ: కుబోటా U-15-3S చిన్న ఎక్స్కవేటర్ 0.85 మీటర్ల వంపు ద్వారా భూగర్భ పైపు కందకం యొక్క తవ్వకాన్ని పూర్తి చేసింది, మరియు విజృంభణ యొక్క పార్శ్వ కదలిక పనితీరు 95% చెక్కుచెదరకుండా ఉన్న రేటుతో పురాతన గోడను రక్షించింది.


చిలీ రాగి గని వద్ద భూగర్భ కార్యకలాపాలు: సవరించిన రీన్ఫోర్స్డ్ క్యాబ్ ఉన్న కాంపాక్ట్ ఎక్స్కవేటర్ ఎటువంటి లోపాలు లేకుండా 300 గంటలు నిరంతరం పనిచేస్తుంది, దీని ఫలితంగా లోడింగ్ ఖర్చులు 23% తగ్గుతాయి.


టోక్యో నైట్‌టైమ్ మునిసిపల్ కన్స్ట్రక్షన్: సానీ SY19E మినీ ఎక్స్‌కవేటర్ యొక్క స్వచ్ఛమైన ఎలక్ట్రిక్ వెర్షన్ 66 డెసిబెల్స్ వద్ద నిశ్శబ్దంగా పనిచేస్తుంది, నగరం యొక్క "నిర్మాణ సమయ విండో" సమస్యను పరిష్కరిస్తుంది.


తీర్మానం: ఒక చిన్న శరీరం పెద్ద భవిష్యత్తును కలిగి ఉంటుంది

0.8-టన్నుల అల్ట్రా-సన్నని మోడల్ నుండి 4-టన్నుల హెవీ డ్యూటీ యోధుడు వరకు, చిన్న ఎక్స్కవేటర్లు ఖచ్చితమైన నిర్మాణం, వైవిధ్యభరితమైన ఇంధన వనరులు మరియు తెలివైన నిర్వహణ యొక్క ట్రిపుల్ పరిణామానికి గురవుతున్నాయి, ప్రపంచ నిర్మాణ నమూనాను పున hap రూపకల్పన చేస్తున్నారు. వార్షిక అమ్మకాలు భారతీయ మార్కెట్లో 3100 యూనిట్లను దాటి, 2025 నాటికి ఎలక్ట్రిక్ మోటారులకు 40% చొచ్చుకుపోయే రేటుతో, "చిన్నగా పెద్దగా ఉపయోగించడం" అనే ఈ సాంకేతిక విప్లవం ట్రిలియన్ డాలర్ల మార్కెట్లో బంగారు అవకాశాన్ని వెలికి తీయడానికి ఉద్దేశించబడింది.


పరిశ్రమ నిర్వహణ అనుభవం:

కాంపాక్ట్ ఎక్స్కవేటర్ల కోసం, ఖచ్చితమైన రూపకల్పన వెన్నెముక, అయితే తెలివైన నిర్వహణ అనేది జీవనాడి, నిర్వహణ ఖర్చులను 1 యువాన్ల ద్వారా ఆదా చేస్తుంది మరియు మరమ్మత్తు ఖర్చులను 10 యువాన్లు తగ్గిస్తుంది.



సంబంధిత వార్తలు
నాకు సందేశం పంపండి
ఇ-మెయిల్
market@everglorymachinery.com
మొబైల్
చిరునామా
చాంగ్‌జియాంగ్ వెస్ట్ రోడ్, హువాంగ్‌డావో జిల్లా, కింగ్‌డావో సిటీ, షాన్‌డాంగ్ ప్రావిన్స్, చైనా
X
మీకు మెరుగైన బ్రౌజింగ్ అనుభవాన్ని అందించడానికి, సైట్ ట్రాఫిక్‌ను విశ్లేషించడానికి మరియు కంటెంట్‌ను వ్యక్తిగతీకరించడానికి మేము కుక్కీలను ఉపయోగిస్తాము. ఈ సైట్‌ని ఉపయోగించడం ద్వారా, మీరు మా కుక్కీల వినియోగానికి అంగీకరిస్తున్నారు. గోప్యతా విధానం
తిరస్కరించు అంగీకరించు